• 服務熱線:021-80370923

    電動襯氟蝶閥

    電動襯氟蝶閥圖片

    電動襯氟蝶閥

    • 閥門型號:D971F46,D941F46
    • 通徑規格:DN50~DN1200
    • 結構形式:中線型(對夾式,法蘭)
    • 閥體材質:鑄鋼WCB、不銹鋼304、不銹鋼316
    • 公稱壓力:PN6、PN10、PN16
    • 適用溫度:-20℃~180℃
    • 應用范圍:腐蝕性流體及強酸強堿介質等
    • 產品特點:密封性能好,具有超強的耐腐蝕性和耐磨性
    電動襯氟蝶閥概述:
     
    耐腐蝕電動襯氟蝶閥是由電動執行器和法蘭或對夾式襯氟蝶閥組成,蝶閥閥座與密封面襯有氟塑料,具有零泄露、壽命長及超強的耐腐蝕性和耐磨性等優點。電動襯氟蝶閥根據不同工況條件選擇不同的襯里閥體,分為全襯氟蝶閥和半襯氟蝶閥,控*方式有開關切斷型和智能調節型。電動襯氟蝶閥具有嚴密的密封性能,且不僅有普通蝶閥的機械強度,又能發揮PTFE的耐腐蝕、耐酸堿的化學特性,在一般常規條件下的工況中,比不銹鋼閥體的蝶閥具有更高的性價比。
    電動襯氟蝶閥圖片
     電動對夾式襯氟蝶閥                             電動法蘭襯氟蝶閥     
    電動襯氟蝶閥應用:
     
    電動襯氟蝶閥是在會與介質接觸的過流部件(碟板,閥體內壁)襯上一層較厚的氟塑料高分子材料,所以也被稱之為電動襯塑蝶閥,適用于各種不同工業管路中液體和氣體(包括蒸氣)的輸送,特別是具有嚴重腐蝕性、沖刷、磨礪介質的使用場合,如:硫酸、氫氟酸、磷酸、氯氣、強堿、王水等具有強腐蝕性的介質,但不適用于有顆粒和溫度偏高的工藝介質中。
     
    電動襯氟蝶閥技術參數:

    公稱通徑 DN50~DN1200 (mm)
    公稱壓力 PN0.6、1.0、1.6MPa
    連接形式 對夾式、法蘭式
    驅動方式 電動控*AC220V  AC380V(可帶手輪)
    控*方式 智能調節型(4-20mA)或開關動作模式
    動作范圍 0~90°
    泄露量 按GB/T4213-92,為Kv值的10-4,軟密封:零泄漏
    閥體材質 碳鋼WCB,不銹鋼304,不銹鋼316,316L
    密封圈 增強聚四氟乙烯PTFE
    適用介質 弱腐蝕性流體以及強酸、強堿、王水等任意具有強腐蝕性的介質

    電動襯氟蝶閥適用溫度(℃):
     
    1、聚全氟乙烯FEP (F46):-85~150
    2、四氟乙烯-乙烯ETFE(F40):-80--220
    3、可溶性四氟PFA( FA):-70~200
    4、聚四氟乙烯PTFE(F4):-200~180
    5、聚偏二氟乙烯PVDF(F2):-70~100
    6、改性聚乙烯FRPE(PO):-58~80

     不同材料適用于不同溫度和不同介質

    電動襯氟蝶閥性能特點:
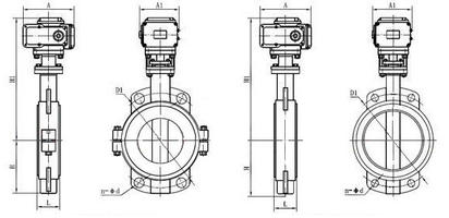
    電動襯氟蝶閥結構圖
      電動襯氟蝶閥(全襯氟)            電動襯氟蝶閥(半襯氟)
     
    1、閥體有不銹鋼及其它材質閥體可選,且重量輕,電動開關速度迅速;
    2、電動防腐蝶閥密封材料適用壽命長,具有耐老化、耐腐蝕、耐沖刷等特點;
    3、可在任何位置安裝,維修方便,法蘭對夾孔連接適用多種標準;
    4、電動耐腐蝕蝶閥密封件可以更換,密封性能可靠,能夠達到雙向密封零泄漏。
    5、電動防腐蝶閥適用于化學介質,閥板上下中孔處,采用球型摩擦面設計,扭矩力更小,密封性能極佳。

    電動襯氟蝶閥性能規范:

    公稱通徑 DN(mm) 50~1200
    公稱壓力 PN(MPa) 0.6 1.0 1.6
    試驗壓力 強度試驗 0.9 1.5 2.4
    密封試驗 0.66 1.1 1.76
    氣密封試驗 0.6 0.6 0.6
    適用溫度 ≤180℃
    適用介質 任何具有腐蝕性的介質

    相關產品:氣動襯氟蝶閥  電動襯氟球閥  電動襯氟截止閥
    上一篇:電動法蘭蝶閥 下一篇:電動UPVC蝶閥