• 服務熱線:021-80370923

    電動高平臺球閥

    電動高平臺球閥圖片

    電動高平臺球閥

    • 閥門型號:Q941F,Q941H
    • 通徑規格:DN15~DN300
    • 結構形式:浮動直通式
    • 閥體材質:鑄鋼(WCB)、不銹鋼(304、316、316L)
    • 公稱壓力:PN10、PN16、PN25
    • 適用溫度:-30℃~350℃
    • 應用范圍:水、油品、氣體、腐蝕性介質等
    • 產品特點:高平臺設計,美觀大方,占用空間小,結構更緊湊

    電動高平臺球閥概述:

     
    電動高平臺球閥采用高平臺設計,與執行器可進行直接安裝,無需再上支架,為產品的安裝和更換提供了方便,具有流通阻力小,流通量大等特點。電動高平臺球閥與普通帶支架球閥的區別是,占用空間小,結構緊湊,缺點是不耐高溫,溫度傳導到氣缸上,氣缸內的橡膠圈容易老化。而普通球閥與執行器之間雖然需要上支架和連接軸才可安裝,但散熱功能強一些,通常介質溫度過高的管道一般采用帶支架球閥,這樣可避免因為高溫而損壞執行器,延長使用壽命。
     
    電動高平臺球閥特點:

    1、采用高平臺ISO5211標準設計,無需其它支架和連接軸,即可與執行裝置進行連接安裝。
    2、采用硅溶膠*密鑄造,外形美觀,緊密可靠,密封性好,使用范圍廣。

    高平臺球閥設計
    3、防靜電功能,在球體、閥桿、閥體之間設置彈簧,能將開關過程產生的靜電導出。
    4、流體阻力小,全通徑的球閥基本沒有流阻,開閉迅速,從全開到全關只要旋轉90°,操作方便。

     
    電動高平臺球閥技術參數
     
    公稱通徑 DN15~DN300(mm)
    公稱壓力 PN1.6、2.5、4.0MPa
    連接形式 法蘭式
    結構形式 浮動直通式(高平臺閥體)
    電源電壓 電動控*AC220V
    動作范圍 0~90°
    閥芯結構 浮動"O"型閥芯
    閥體材質 鑄鋼WCB、不銹鋼304、316、316L
    密封材料 PTFE、PPL(-30℃-180℃)
    使用介質 水、油品、氣體、腐蝕性介質等
    控*方式 開關式(快速兩位切斷)、調節型(輸入輸出4~20mA信號)

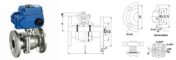
    電動高平臺球閥閥體結構圖:

    電動高平臺球閥結構圖

    電動高平臺法蘭球閥采用彈簧柱塞式靜電引出裝置,使球體與閥體之間直接形成靜電通道或通過閥桿使球體與閥體之間形成靜電通道,從而可將球體與閥座開關過程中摩擦產生的靜電通過閥體引到大地,防止靜電火花可能引起的火災或爆炸等危險。靜電是一種客觀的自然現象,產生的方式多種,如接觸、摩擦等。比如高平臺球閥,當球體和軟密封開關摩擦以后,會產生靜電,若管道內走的是易燃易爆介質是很危險的,所以閥門中設置一個將球體靜電導向外面的聯通裝置,防止靜電是很重要的。

    相關產品: 氣動高平臺球閥    電動法蘭球閥