• 服務熱線:021-80370923

    氣動真空蝶閥

    氣動真空蝶閥圖片

    氣動真空蝶閥

    • 閥門型號:GIQ高真空蝶閥
    • 通徑規格:DN50-DN400
    • 結構形式:對夾式
    • 閥體材質:不銹鋼304、316、316L
    • 公稱壓力:2x105~1.3x10-5
    • 適用溫度:丁腈橡膠-25~+80℃,氟橡膠-30~+150℃
    • 應用范圍:真空系統,空氣及非腐蝕性氣體
    • 產品特點:密封性能好,能用于真空狀態,也可在低壓狀態下使用
    氣動高真空蝶閥概述:
     
    GIQ氣動高真空蝶閥是指工作壓力低于標準大氣壓,形成一定真空的閥門,是真空系統中用來調節氣流量、切斷和接通管路的元件,一般用于控*空氣和非腐蝕性氣體。氣動真空蝶閥的閥板采用夾緊結構,把閥板的密封圈夾緊,泄露量為零,除了能用在真空狀態下,也能在低壓狀態下使用。氣動真空蝶閥以壓縮空氣為動力,帶動碟板旋轉來作啟閉運動,從而達到對管路氣流的接通或切斷,分為雙作用和單作用,單作用具有彈簧復位的作用,可在故障時自動復位。
    氣動真空蝶閥結構圖
    氣動高真空蝶閥特點:
     
    1、軸承采用自潤滑軸承,摩擦阻力小。
    2、不必從管路上拆卸閥門即可更換蝶板密封圈。
    3、該閥能對介質雙向截止,實現可靠的密封,雙向零泄漏。
    4、軸封采用具有自動補償的特殊結構,隔斷外界大氣與管道的連通,從而保證管道的真空度。

    氣動高真空蝶閥技術參數:


    適用范圍(Pa) 2x105~1.3x10-5
    漏氣率(Pa.L/S) ≤1.3x10-6
    驅動形式 壓縮空氣(4-7bar)
    介質溫度(℃) 丁腈橡膠-25 ~ +80,氟橡膠-30 ~ +150
    法蘭標準 GB6070.3-85
    安裝位置 任意
    作用形式
    單作用式:氣關式(B)--失氣時閥位開(FO);氣開式(K)--失氣時閥位關(FC)
    雙作用式:氣關式(B)--失氣時閥位保持(FL);氣開式(K)-- 失氣時閥位保持(FL)
    控*方式   開關型(開關兩位控*)
      調節型(4-20mA信號調節流量大小)

    氣動高真空蝶閥執行機構:

    執行器型號 GT、AT、AW系列單雙作用氣動執行器
    供氣壓力 0.4~0.7MPa
    氣源接口 G1/4"、G1/8"、G3/8"、G1/2"
    環境溫度 -30~+70℃
    作用形式 單作用執行機構、雙作用執行機構
    可選附件 定位器、電磁閥、空氣過濾減壓器、保位閥、行程開關、閥位傳送器、手輪機構等

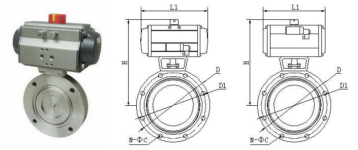
    氣動高真空蝶閥連接尺寸:

    公稱通徑(DN) 50 63 80 100 125 150 200 250 300 400
    連接尺寸 A 26 32 35 50 55 60
    ΦD 110 130 145 165 200 225 285 335 425 510
    ΦB 90 110 125 145 175 200 260 310 395 480
    n-ΦC 4-Φ9 8-Φ9 4-Φ12 12-Φ11 12-Φ14 16-Φ14

    相關產品: 電動真空蝶閥
    上一篇:氣動粉體蝶閥 下一篇:氣動調節蝶閥