• 服務熱線:021-80370923

    電動保溫球閥

    電動保溫球閥圖片

    電動保溫球閥

    • 閥門型號:BQ941、BQ971
    • 通徑規格:DN15~DN200mm
    • 結構形式:法蘭分體式、對夾整體式
    • 閥體材質:鑄鋼(WCB)、不銹鋼(304、316、316L)
    • 公稱壓力:PN1.0、1.6、2.5MPa
    • 適用溫度:-17℃-450℃
    • 應用范圍:容易凝固的高粘度介質
    • 產品特點:具有良好的保溫保冷特性

    電動保溫球閥概述:

    電動保溫球閥一般用于夾套內走加熱/伴熱介質的場合,防止物料結晶堵塞管道,

    特別是一些不經常開關,物料流動性不是很好的地方。電動保溫球閥根據使用工況不同,

    夾套可以是冷凝水,用于因為過熱而析出晶體,也可以用熱水、蒸汽和導熱油等做伴熱用,

    其具有良好的保溫保冷特性,常用于輸送常溫下會凝固的高粘度介質。

    電動保溫球閥種類
    電動保溫球閥應用:
     
    電動保溫球閥主要由帶夾套球閥與(開關型、調節型)電動執行機構組成,
    用在需要保持一定溫度,或者介質冷卻容易堵塞閥門,伴熱保溫。
    比如液流的保溫要求在135-145度,低于指標液流會凍結,如果閥門不用蒸汽夾套的話,會造成閥門無法操作。

    電動保溫球閥參數:


    公稱通徑 DN15~DN200(mm)
    公稱壓力 1.0、1.6、2.5MPa
    連接形式 對夾、法蘭
    結構形式 分體式、整體式
    驅動形式 電源驅動AC220V、AC380V、DC24V(其它特*)
    動作范圍 0~90°
    閥芯結構 O型閥芯
    閥體材質 鑄鋼(WCB)、不銹鋼(304、316、316L)
    密封材料 PTFE(聚四氟乙烯)、PPL(對位聚苯)、金屬密封(硬質合金)
    使用介質 易凝固介質
    控*方式 開關式(兩位切斷)、調節型(閥門定位器4~20mA信號)

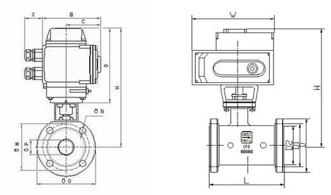
    電動保溫球閥結構圖:
    電動保溫球閥結構圖
     
    電動保溫球閥可選功能:

      可選功能
    防爆功能 防爆等*:Exd II BT4 
    調節功能 輸入輸出4-20mA、O- 5V.DC、0- 10V.DC
    手動功能 可裝配手動裝置,開閥、關閥功能

    相關產品: 氣動保溫球閥